Session 2: Analog Basics¶
Began to use netlist to define CMOS circuits and Spice to simulate them. Used TinkerCAD to model and probe simple LED circuit.
Assignment¶
-
Modify the AND gate netlist to create an OR gate instead
-
Schmitt trigger analysis: Look up a CMOS Schmitt trigger schematic and identify which transistors set the upper vs lower threshold
-
Optional: Build a simple circuit (LED + resistor + button) in TinkerCAD and observe current flow.
OR gate netlist¶
OR gate netlist derived from AND gate netlist
Results of running simulation with ‘ngspice or_test.sp’

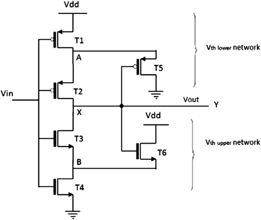
Schmitt trigger analysis¶
Schmitt triger schematic from “Analog Integrated Circuits and Signal Processing” via ResearchGate

Transister T6 sets the upper threshold and T5 sets the lower threshold.
TinkerCAD simple circuit¶
TinkerCAD simulation when button is not pressed.

TinkerCAD simulation when button is pressed.
